Giới thiệu sản phẩm
Két nước và khung âm tường TOTO WH035D là bộ phụ kiện hoàn chỉnh dành cho bồn cầu âm tường, bao gồm két nước xả và khung chịu lực được lắp âm vào tường cùng ống thải cong hỗ trợ kết nối bồn cầu một cách linh hoạt.
Sản phẩm trang bị xả nhấn 2 chế độ (4.8 L / 3 L) giúp tối ưu lượng nước sử dụng, phù hợp tiêu chuẩn tiết kiệm nước trong gia đình và công trình.
Đặc điểm nổi bật
-
Xả nhấn 2 chế độ:
🟢 4.8 L — xả mạnh khi cần
🔵 3 L — xả tiết kiệm nước mỗi ngày -
Khung âm tường chịu lực tốt, phù hợp với bồn cầu âm tường tiêu chuẩn.
-
Ống thải cong tích hợp sẵn, dễ kết nối với nhiều loại bồn cầu.
-
Thiết kế âm tường giúp tối ưu không gian & nâng cao thẩm mỹ phòng tắm.
-
Vận hành ổn định, bền bỉ theo thời gian.
-
Phù hợp nhiều phong cách thiết kế phòng tắm hiện đại.
Ứng dụng thực tế
Bộ két nước & khung WH035D phù hợp lắp trong:
✔ Phòng tắm gia đình
✔ Chung cư – căn hộ cao cấp
✔ Villa – biệt thự
✔ Homestay – khách sạn – resort
✔ Công trình thương mại & lưu trú
Thích hợp cho không gian cần gọn – sang – chuẩn kỹ thuật.
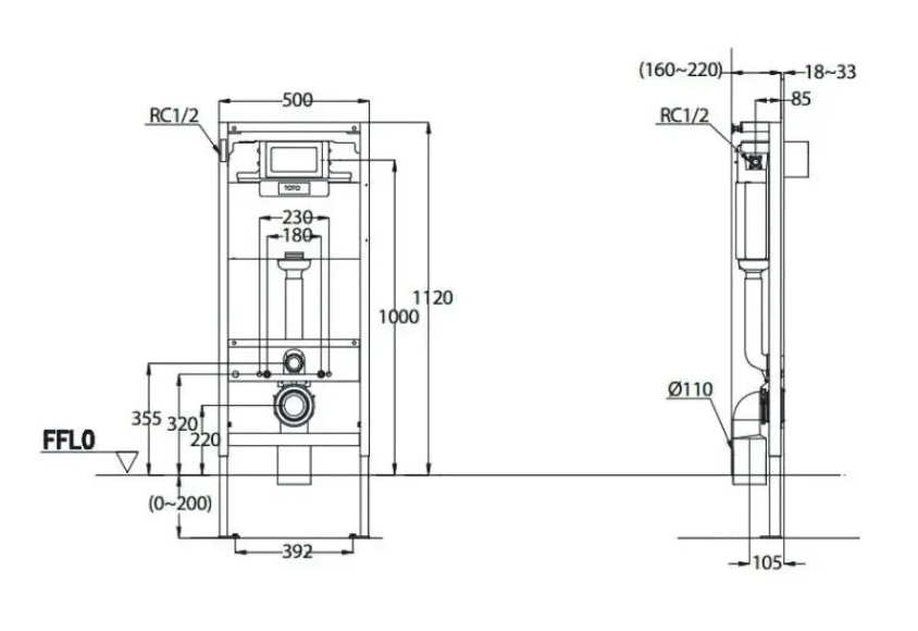
Hướng dẫn lắp đặt
-
Xác định vị trí âm tường theo kích thước kỹ thuật.
-
Cố định khung chịu lực vào tường chịu lực.
-
Kết nối két nước với nguồn cấp nước lạnh đúng chiều.
-
Lắp ống thải cong và kết nối với vị trí bồn cầu.
-
Gắn bảng xả nhấn & kiểm tra hoạt động trước khi hoàn thiện.
Lưu ý: Nên tuân thủ bản vẽ kỹ thuật và khoảng cách tiêu chuẩn để đảm bảo hoạt động ổn định.
Hướng dẫn sử dụng
-
Nhấn nút xả chọn chế độ nhỏ (3 L) hoặc lớn (4.8 L) tùy nhu cầu.
-
Vệ sinh bảng xả định kỳ bằng khăn mềm.
-
Kiểm tra đường ống & van nguồn nước định kỳ để bảo trì.
Giới thiệu thương hiệu
TOTO là thương hiệu thiết bị vệ sinh Nhật Bản uy tín với sản phẩm chất lượng cao, thiết kế tinh tế và độ bền vượt trội. Các dòng két nước & khung âm tường của TOTO được nhiều công trình lưu trú, nhà ở & dự án lựa chọn nhờ ổn định, an toàn và thẩm mỹ.
Lợi ích khi mua tại 1Depot
✔ Sản phẩm chính hãng 100%, chứng từ & nguồn gốc rõ ràng
✔ Tư vấn kỹ thuật chuẩn, chọn đúng khung & kích thước lắp đặt
✔ Hỗ trợ lắp đặt & vận hành theo từng cấu hình bồn cầu
✔ Giá minh bạch & cạnh tranh, không chi phí phát sinh ẩn
✔ Bảo hành đầy đủ, hỗ trợ xử lý nhanh khi cần
✔ Dễ dàng đồng bộ thiết bị phòng tắm TOTO theo tiêu chuẩn cao cấp
